在线询价

搜索信息

产品展示
首页 > 产品展示
微芯片激光模块200μJ 价格:

这种1535nm激光的波长刚好在眼睛安全窗口和大气窗口之间。这种眼睛安全激光器的脉冲能量≥200μJ,可以实现3-8公里的测距范围。此外,它还广泛应用于激光目标指示、激光测距、激光照明、固态激光测距仪、激光雷达系统、激光医疗和光纤通信。

在线询价
详细内容 规格参数 产品包装

1535nm 激光波长处于眼睛安全窗口与大气窗口间,脉冲能量≥200μJ,测距范围达 3 - 8 公里,广泛用于激光目标指示、测距、照明、固态激光测距仪、激光雷达系统、医疗及光纤通信等场景。

主要参数及性能

参数类别技术指标
激光波长1535 nm
人眼安全等级Class 1
激光能量≥200 μJ
激光脉冲宽度4 ns
激光频率1~10 Hz
激光稳定性10%
原始光束直径0.2 mm
光束扩散角10 mrad
波束模式TEM₀₀
工作温度-45℃~+65℃
储存温度-55℃~+85℃
冲击1500 G, 0.5 ms
振动20~2000Hz/20 G
使用寿命>5 million times
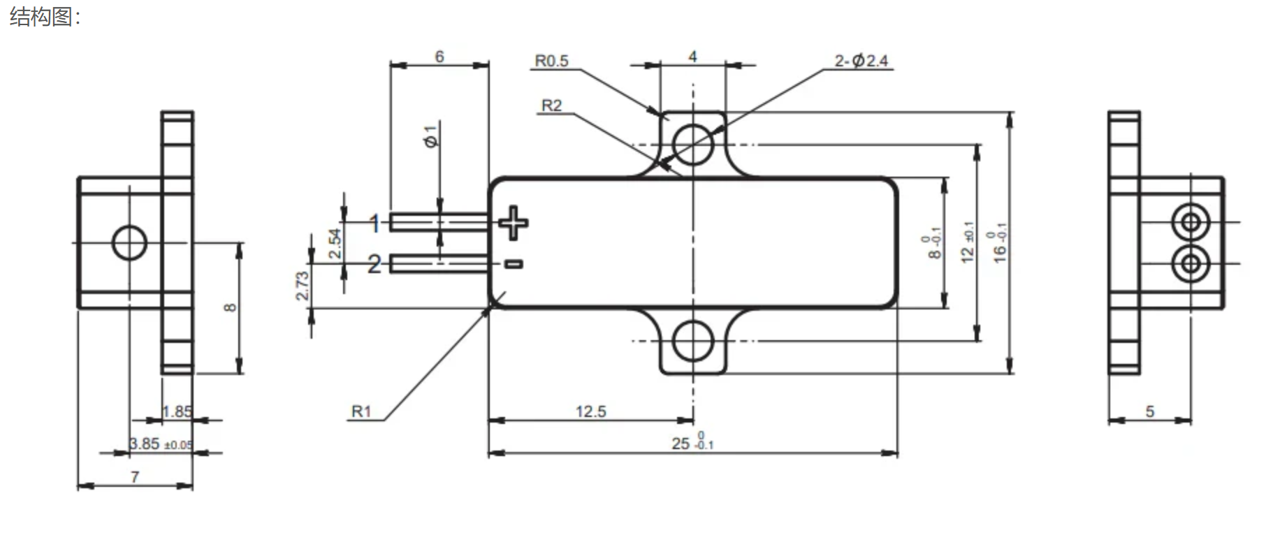
尺寸 (mm)25×8×7
重量8 g
电压2 V
电流12 A
驱动脉冲宽度≥2 ms


© 2026 盛飞光速科技(成都)有限公司  All Rights Reserved.   备案号:蜀ICP备2025128942号-1 腾云建站仅向商家提供技术服务