盛飞光速开发并生产的 1535nm 微芯片激光模块,采用折射率为 1.54μm、掺铒浓度为(0.1 - 3.0)×10¹ 的专有掺铒玻璃(1.5 - 3.0)×10²¹,荧光寿命为 8 - 10ms 。广泛应用于激光测距、激光照射、激光雷达、目标识别、激光医学和光纤通信等场景,具备轻巧设计与稳定性能。
| 参数类别 | 技术指标 |
|---|
| 激光波长 | 1535 nm |
| 人眼安全等级 | Class 1 |
| 激光能量 | ≥300 μJ |
| 激光脉冲宽度 | 4 ns |
| 激光脉冲频率 | 1~10 Hz |
| 稳定性 | 10% |
| 光速原始直径 | 0.2 mm |
| 发散角 | 10 mrad |
| 波束模式 | TEM₀₀ |
| 工作温度 | -45 ℃~+65 ℃ |
| 储存温度 | -55 ℃~+85 ℃ |
| 冲击 | 1500 G, 0.5 ms |
| 振动 | 20~2000 Hz/20 G |
| 寿命 | > 5 million times |
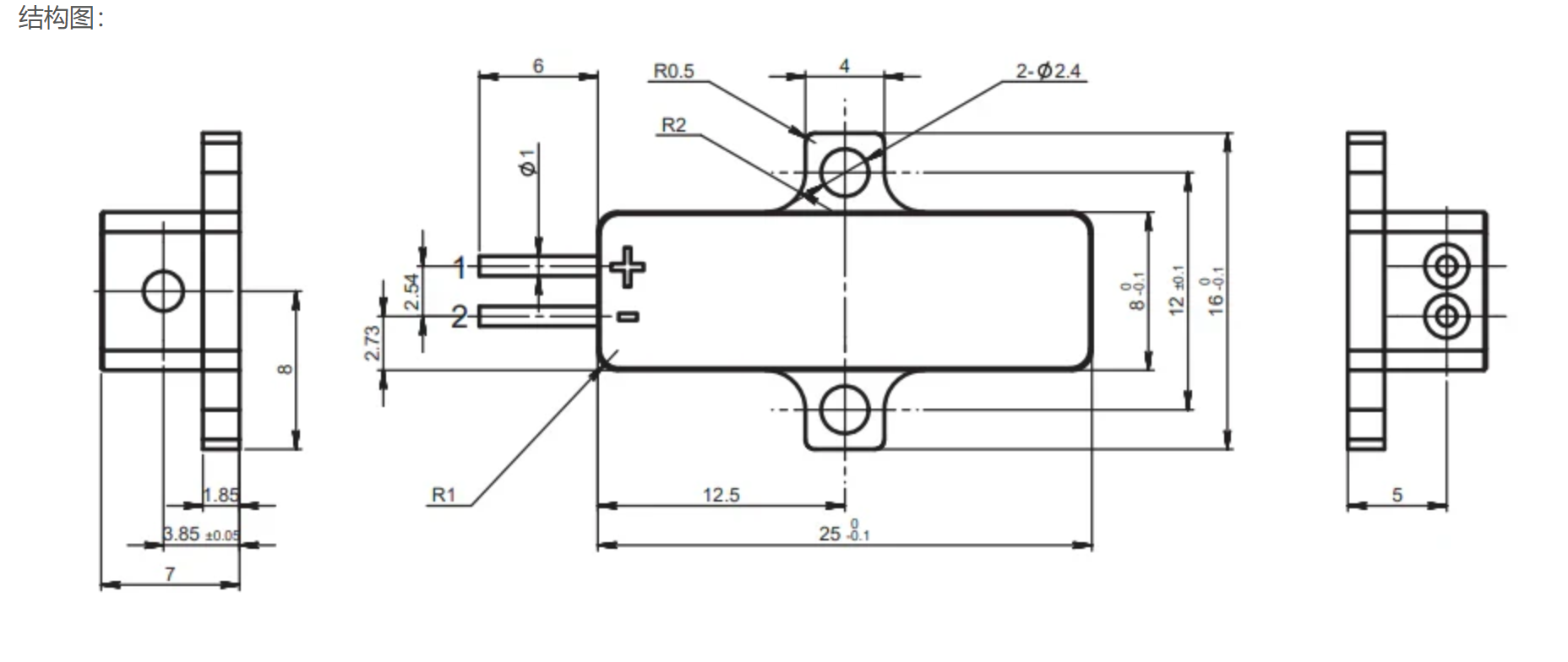
| 尺寸 (mm) | 25×8×7 |
| 重量 | 8 g |
| 电压 | 2 V |
| 电流 | 12 A |
| 驱动脉冲宽度 | ≥2.5 ms |