在线询价

搜索信息

产品展示
首页 > 产品展示
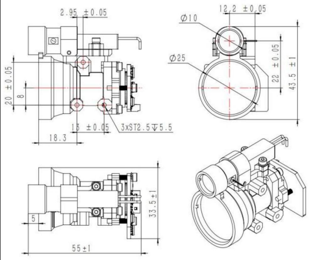
1535nm激光测距机 SFB4000R 价格: 编号:SFB4000R

SFB4000R 型激光测距机采用 1535nm 铒玻璃激光器,符合 Class1/1M 人眼安全标准,最大测程 ≥4公里,精度 ±2米,测准率高达98%。该产品体积小、重量轻、功耗低,适用于无人机、车载系统、吊舱平台以及安防监控等领域。

在线询价
详细内容 规格参数 产品包装

核心卖点

  • 远距离测距:单脉冲激光测距,最大测程≥4km。

  • 高稳定性:激光光轴稳定性≤0.3mrad,保证测量精度。

  • 人眼安全:1535nm 激光,国际 Class1/1M 标准。

  • 轻量化设计:体积≤55×34×45mm,重量≤75g,易于集成。

  • 多种通讯接口:RS-422/TTL 通讯,支持上位机软件与二次开发。

  • 低功耗运行:额定功耗≤3.5W,峰值功耗≤7W。

  • 全环境适应:-40℃~+70℃宽温工作,满足户外复杂环境。

  • 智能通讯协议:支持自检、温度监测、脉冲上报、连续 / 单次测距模式。

功能介绍

  • 单次测距与连续测距模式(1Hz/5Hz/10Hz)

  • 自检功能,实时反馈设备状态

  • 温度监测与上报,保证运行安全

  • 脉冲计数与产品标识上报

  • 二次开发支持,提供通讯协议和上位机测试软件

应用范围

  • 无人机测绘:航测、环境巡检、地形探测

  • 车载系统:防撞预警、导航测距

  • 光电吊舱:目标跟踪与锁定

  • 安防监控:远距离探测与监控

  • 工业与科研:自动化控制、仓储测距、科研实验

  • 军工及特种应用:复杂环境下的远距离精确测距

使用说明(简述)

  • 通过 RS-422/TTL 接口与上位机连接;

  • 选择测距模式(单次 / 连续),获取实时距离数据;

  • 使用自检功能确认设备状态;

  • 保持光学窗口清洁,避免强反射物体进入光路;

  • 长期存放请断电并保持干燥防潮环境。

技术规格

指标参数
激光波长1.535 μm ±0.01 μm
激光束散角0.4 mrad ±0.1 mrad
最大测程≥4 km
最小测程≤30 m
测距精度≤±2 m
测准率≥98%
测距模式单次 / 连续测距(1Hz / 5Hz / 10Hz)
连续测距时间≥30 min
电源电压DC 9 ~ 15V
功耗待机≤1.5W;额定≤3.5W;峰值≤7W
通讯接口RS-422 / TTL
外形尺寸≤55 × 34 × 45 mm
重量≤75 g
工作温度-40℃ ~ +70℃
存储温度-50℃ ~ +75℃
激光光轴稳定性≤0.3 mrad
光轴与安装基准不平行性≤0.3 mrad

资质与保障

  • 人眼安全认证:符合国际 Class1/1M 标准

  • 可靠性保证:通过高低温、冲击、振动等测试

  • 企业背书:盛飞光速科技(成都)有限公司,光电系统研发与制造企业,军工及工业领域长期合作伙伴


© 2026 盛飞光速科技(成都)有限公司  All Rights Reserved.   备案号:蜀ICP备2025128942号-1 腾云建站仅向商家提供技术服务