在线询价

搜索信息

产品展示
首页 > 产品展示
激光测距模块SFB9500A 价格: 编号:SFB9500A

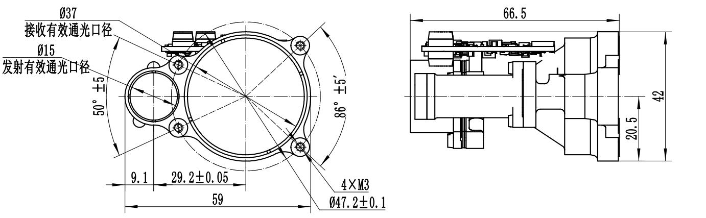
SFB9500A小型激光测距机是盛飞光速科技(成都)有限公司自主研发的旗舰级远距离激光测距模块,采用1535nm人眼安全激光,在能见度≥12km、湿度≤60%条件下,最大测程可达9500米,精度优于±1米,准测率≥98%。模块体积紧凑(66×59×42mm)、重量≤102g,支持RS422/TTL接口通讯,具备首末目标测距、距离选通、自检和波特率设置等功能,适用于无人机、光电吊舱、车载与安防领域。

在线询价
详细内容 规格参数 产品包装

产品卖点

  1. 超远距离测量:最大测程≥9500米,行业领先。

  2. 高精度稳定:精度±1米,准测率≥98%

  3. 轻量化小型化:重量≤102g,尺寸≤66×59×42mm

  4. 多模式测距:支持单次、1Hz5Hz测距。

  5. 首末目标测距:一次测量获取两个不同目标距离。

  6. 距离选通功能:过滤无效回波,提升测量准确性。

  7. 低功耗运行:平均功耗≤3W,待机功耗≤0.001W

  8. 强环境适应性-40+60工作,-55+70存储。

  9. 人眼安全1535nm波段,符合Class 1等级。

  10. 接口灵活:支持RS422/TTL通讯,波特率可调(9600115200bps)。

 

功能说明

  • 激光测距功能:单次、1Hz5Hz多频率测距。

  • 自检功能:上电及命令触发,返回环境温度与状态。

  • 首末目标测距:一次测距输出首目标和末目标数据。

  • 距离选通功能:设置阈值,屏蔽无效测距信号。

  • 波特率设置:支持四档波特率选择(9600/38400/57600/115200bps)。

  • 累计出光次数:便于寿命与使用管理。

 

应用范围

  • 无人机测绘与巡检:轻量化设计,满足长航时应用。

  • 光电吊舱与监控系统:增强远距离识别与测距能力。

  • 车载光电平台:适配交通监控与特种车辆作业。

  • 手持光电设备:便携式远程测距方案。

  • 安防与军警:远程监视、目标定位与侦察。

 

使用步骤

  1. 开机:连接电源、上位机与通讯电缆后通电即可。

  2. 测距

    • 单次测距:发送单次指令,返回目标距离。

    • 1Hz/5Hz测距:按需发送命令,连续输出数据。

    • 停止测距:发送停止指令即可。

  3. 自检:发送自检命令,返回温度与状态信息。

  4. 波特率设置:发送设置命令,切换波特率。

  5. 关机:任务完成后,断开电源。

 

技术规格

参数类别

技术指标

工作波段

1535nm ±10nm

最大测程

≥9500m2.3×4.6m靶板,能见度≥12km,湿度≤60%

最小测程

≤80m(盲区)

测距精度

±1m

准测率

≥98%

距离分辨率

≤50m

测距频率

单次、1Hz5Hz

重量

≤102g

尺寸

≤66×59×42mm

电源电压

5V14V

功耗

待机≤0.001W,平均≤3W

工作温度

-40+60

存储温度

-55+70

接口

RS422/TTL(二选一),支持波特率9600115200bps

认证

符合GJB 150.16A-2009GJB2485-95 等军工规范

 

资质认证与售后

  • 人眼安全认证1535nm波段,符合IEC 60825-1 Class 1标准。

  • 军标标准:设计参考GJB 150.16A-2009GJB2485-95

  • 售后保障1年质保+终身技术支持,支持返厂检测与维修。


© 2026 盛飞光速科技(成都)有限公司  All Rights Reserved.   备案号:蜀ICP备2025128942号-1 腾云建站仅向商家提供技术服务